|
Lösungskomponenten
| A Teilfunktion:
Wandeln/Verknüpfen |
A.1 - ESP 32
 |
|
Abb. 1.0:
ESP32 |
| Vorteile: |
Nachteile: |
|
+ flexible Anwendung |
- komplexität |
| + Möglichkeit
auf Folgeprojekte |
|
| + Platzsparend |
|
| |
|
| |
|
| D Teilfunktion:
Wandel/
Verknüpfen |
A.1 - VPS / Blinkrelais
| Vorteile: |
Nachteile: |
|
+ einfache Prinzip |
- keine
Folgeprojekte |
| |
- Veraltete Technik |
| |
- Platzbedarf |
| |
|
| |
|
| A Teilfunktion: Eel
trennen |
A.1 - Schraubklemmen
 |
|
Abb. 3.0:
Schraubklemme |
| Vorteile: |
Nachteile: |
| +
kostengünstig |
- lösen der Klemme durch Vibartion |
| + Platzbedarf |
|
| +
übersichtliche Montage auf Platine |
|
| + flexibel bei
Änderungen |
|
| |
|
| A Teilfunktion: Eel trennen |
A.1 - Steckverbindung
 |
|
Abb. 4.0:
Schraubklemme |
| Vorteile: |
Nachteile: |
| +
kostengünstig |
- hoher Montageaufwand |
| + flexibel bei
Änderungen |
- nur gerine Ströme |
| + sichere
Verbindung bei mech. Belastung |
|
| |
|
| |
|
| A Teilfunktion: Eel trennen |
A.1 - Wagoprintklemme
 |
|
Abb. 5.0:
Wagoprintklemme |
| Vorteile: |
Nachteile: |
| + Platzbedarf |
- Kosten |
| +
übersichtliche Montage auf Platine |
|
| + flexibel bei
Änderungen |
|
| + sichere
Verbindung bei mech. Belastung |
|
| + hohe Ströme |
|
A.1 - Relais
 |
|
Abb. 6.0:
Relais |
| Vorteile: |
Nachteile: |
|
+ einfaches Wirkprinzip |
- keine
Dauerfestigkeit bei Vibaration |
| + Schalten
großer Leistungen |
- Verschleiß |
| |
- Platzbedarf |
| |
|
| |
|
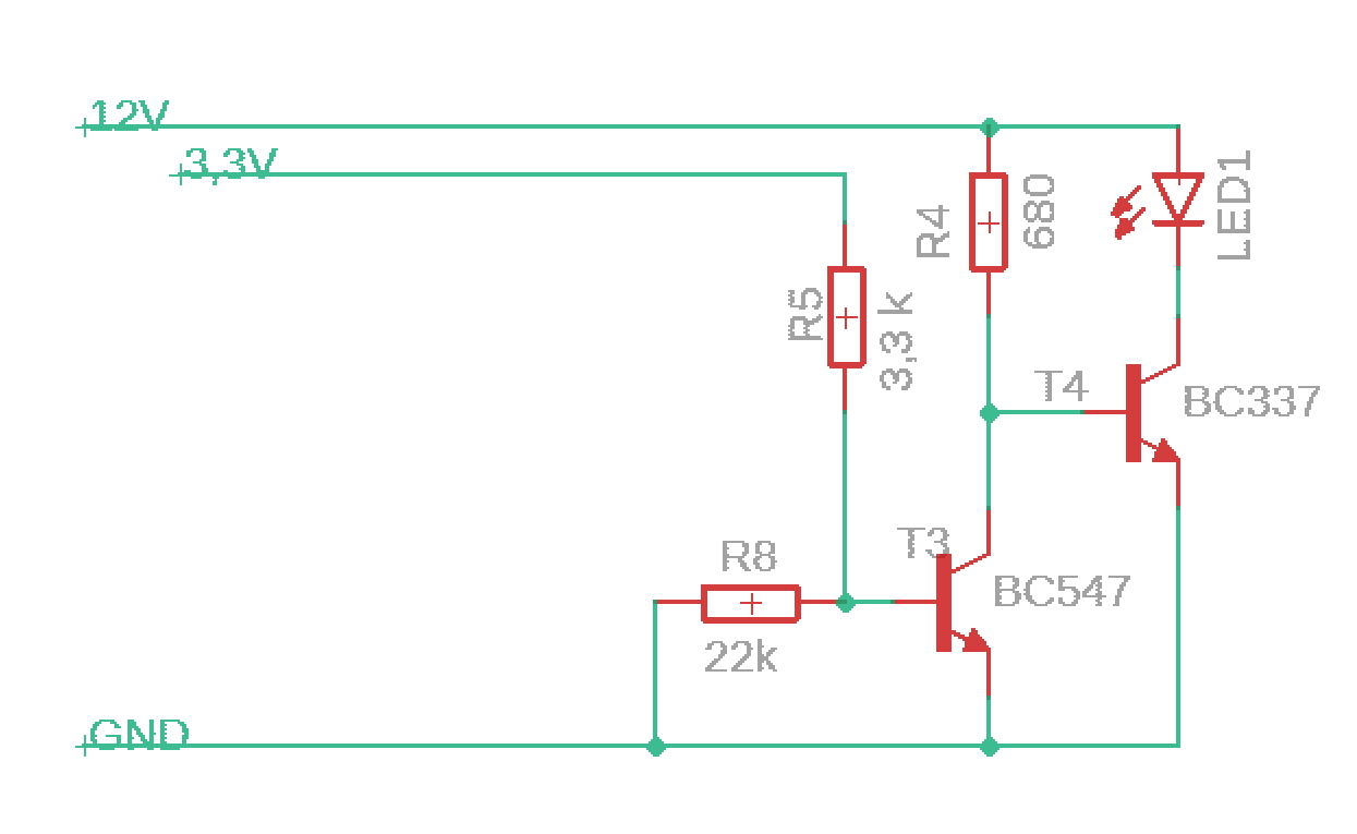
A.1 - Bipolartransistorschaltung
 |
|
Abb. 7.0:
Transistorschaltung |
| Vorteile: |
Nachteile: |
|
+ Verscheißfrei |
- Entwerfen
eigener Schaltung |
| + Platzbedarf |
- gerine Ströme |
| |
- veraltete Technik |
| |
|
| |
|
A.1 - Mosfet Spannungswandler
 |
|
Abb. 14.0:
Spannungswandler |
| Vorteile: |
Nachteile: |
|
+ fertige Baugruppe |
- Kosten |
| + regelbare
Spannung |
|
| +
Dauerfestigkeit bei Vibartion |
|
| |
|
| |
|
A.1
| Vorteile: |
Nachteile: |
|
+ |
- |
| + |
- |
| + |
- |
| |
|
| |
|
|