Die Schnittstellen des Projekts sind wie folgt definiert:

Konzeptbeschreibung
Hinweis: der aktuelle Schaltplan ist unter
http://www.hit-karlsruhe.de/hit-info/info-ws20/Email-En/0405Schaltplan.html
zu finden. Die Konzeptentwicklung wurde während des Projekts
überarbeitet um eine funktionsfähige E-Mail-Klingel zu entwickeln.
Die überarbeite Version der Konzeption ist unter dem Kapitel
"Ausgewählte Lösung" dokumentiert:
http://www.hit-karlsruhe.de/hit-info/info-ws20/Email-En/0401AusgewaehlteLoesung.html
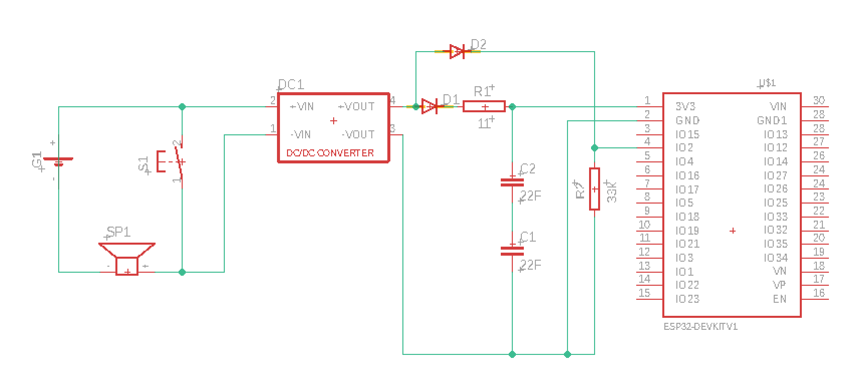
Ursprüngliches Konzept:

Der ESP32 erhält seine
Spannungsversorgung (VDD) über einen Step-Down-Konverter, welcher
die Spannung (12V) vom Schaltnetzteil parallel zum Klingeltaster
abgreift. Wird der Klingeltaster betätigt fällt die gesamte Spannung
über der Klingel ab wodurch die Ausgangsspannung (Vout+) des
Step-Down-Converters einbricht und der ESP32 somit nicht mehr
versorgt ist. Um dem entgegen zu wirken wird parallel zwischen VDD
und GND des ESP32 zwei 22F (2,3V) Kondensator mit 11
Vorwiderstand
(realisiert durch zwei Vorwiederstand parallele 22
Widerstände)
angebracht. Bricht nun die VOut+ ein, würden sich die Kondensatoren
C1, C2 über den 11 Ohm und den Innenwiderstand des
Step-Down-Converters (1kOhm) entladen.
Um dies zu verhindern wird eine Diode (D1) verbaut, welche
ein Entladen über den Step-Down-Converter verhindert. Stattdessen
kann somit der ESP32 weiter mit 3,3V durch die beiden Kondensatoren
versorgt werden. Zusätzlich kann das Wegbrechen der VOut+ Spannung
am Step-Down-Converter als Active Low Signal an einem I/O-Port des
ESP32 aufgefasst werden, wodurch ein Interrupt im ESP32 ausgelöst
wird, welcher das Versenden von E-Mail/SMS durchführt.
Da am Ausgang des Step-Down-Converters 4V anliegen, wird eine
Diode (D2) mit hochohmigem Widerstand (R2 = 33k) an den Input des
ESP32 angeschlossen. Somit wird die Spannung am Eingang ebenfalls
auf max. 3,3V begrenzt.

Um mit möglichst viel Strom zu
laden und die Zeitkonstante gering zu halten wird der Vorwiderstand
sehr klein gewählt. Die Gesamt Kapazität ergibt sich wie folgt.


Folgerung: Die Kondensatoren
müss zu Beginn einmal geladen werden. Da anschließend nur eine sehr
geringe Zeit (t < 2 s) überbrückt werden muss während der
Klingetaster gedrückt wird, entladen sich die Kondensator niemals
vollständig. Die Rechnung hier bezieheut sich darüberhinaus auf
einen dauerhaften
Strombedarf des ESP32 von 180mA, während der Klingeltaster gedrückt
ist und somit keine Spannungsversorgung durch das Schaltnetzteil
vorliegt.
Für das Versenden der E-Mail und SMS wird
folgender Schaltplan realisiert um das GSM-Modul an den ESP32
anzuschließen.
http://www.hit-karlsruhe.de/hit-info/info-ws20/Email-An/0405Schaltplan.html
|