Energieeffiziente Mikrocontroller
CorCount Platine
Wintersemester 2020
Konrad Wagner
Marius Renner
Startseite
Team
Definitionsphase
Vorwort
Problemstellung
Stand der Technik
Aufgabenstellung
Mindmap
ProjektplanIST
Anforderungsliste
Konzeptphase
Black-Box
Funktionsstruktur
Morphologie
Vorteile/Nachteile
Lösungsalternativen
Ranking
Verfahrensmatrix NWA
Ergebnis der Nutzwertanalyse
Konzeptentwicklung
Bestellliste
Ausarbeitung
Ausgewählte Lösung
Blockschaltbild
Software Dokumentation
Portbelegungsplan
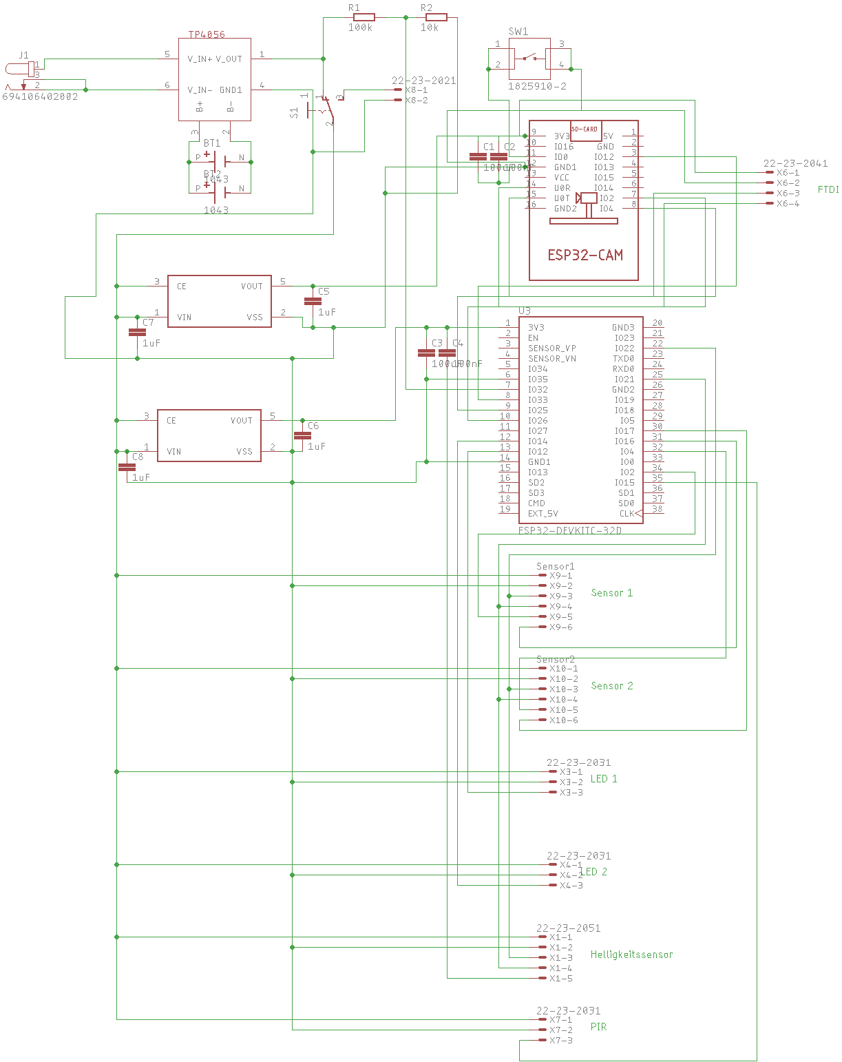
Schaltplan
Layout
Quellcode
Mechanik
3-D-Druck
Bedienungsanleitung
Weiterentwicklungen
Linkliste
Fazit
Anhang
Protokolle
Schaltplan
Update 22.02.2021:
Download Schaltplan und Layout (Eagle)
Alter Projektstand:
Fritzing:
Download Fritzing
Schaltplan (Eagle):
Mit Unterstützung von Prof. J. Walter
Wintersemester 2020