Prof. J. Walter - Informationstechnik, Mikrocomputertechnik, Digitale Medien Funktionsstruktur
Hochschule Karlsruhe Logo Informationstechnik
Sensorik Ventilator
Sommersemester 2021
bawa1011@hs-karlsruhe.de
mojo1018@hs-karlsruhe.de

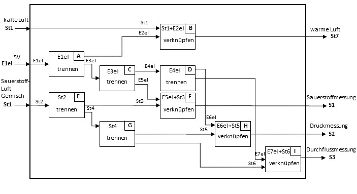
Funktionsstruktur

- Die Funktionsstruktur dient dem Strukturieren der Aufgabe (Gesamtfunktion) in Teilaufgaben (Hauptfunktion und Nebenfunktionen). Unten stehend werden die einzelnen Funktionen (nach Roth) der Funktionsstruktur dargestellt. - 

Funktionsstrucktur

 

Allgemeine Funktionen (nach Roth):

  Allgemeine Operatoren

Allgemeine Größen

Leiten

Speichern

Wandeln

Verknüpfen

Stoff

Stoff
leiten

Stoff
speichern

Stoff
wandeln

Stoff und
Stoff
verknüpfen

Stoff und
Energie
verknüpfen

Stoff und
Nachricht
verknüpfen

Energie

Energie
leiten

Energie
speichern

Energie
wandeln

Energie und
Energie
verknüpfen

Energie und
Nachricht
verknüpfen

Energie und
Stoff
verknüpfen

Nachricht (Signal)

Nachricht
leiten

Nachricht
speichern

Nachricht
wandeln

Nachricht und
Nachricht
verknüpfen

Nachricht und
Stoff
verknüpfen

Nachricht und
Energie
verknüpfen



  Mit Unterstützung von Prof. J. Walter Sommersemester 2021