Prof. J. Walter - Informationstechnik, Mikrocomputertechnik, Digitale Medien Anhang
Hochschule Karlsruhe Logo Informationstechnik
Ventilator Aktorik
Sommersemester 2021
azam1011
hira1014

Anhang

Datenblätter des Motor Kits

Schrittmotor 28BYJ-48
Elektrische Anschluss am Motor:  


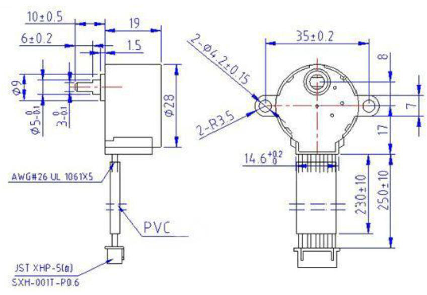
 Technische Zeichnung des Motors:  


Motortreiber Board
Übersicht des Treiberboards:


Transistor ULN2003

 Elektrische Anschlüsse ULN2003:


Gesamtes Dokument:
Motor Kit
Schrittmotor 28BYJ-48
Motortreiber ULN2003

Alle weitere Daten sind unter den jeweiligen Rupriken zu finden und unter der Linkliste.

  Mit Unterstützung von Prof. J. Walter Sommersemester 2021